This website requires JavaScript.
Explore
Help
Sign In
Michal
/
Prusa-Firmware-ESP32-Cam
mirror of
https://github.com/prusa3d/Prusa-Firmware-ESP32-Cam
Watch
1
Star
0
Fork
You've already forked Prusa-Firmware-ESP32-Cam
0
Code
Issues
Packages
Projects
Releases
Wiki
Activity
ba3d4660c7
Prusa-Firmware-ESP32-Cam
/
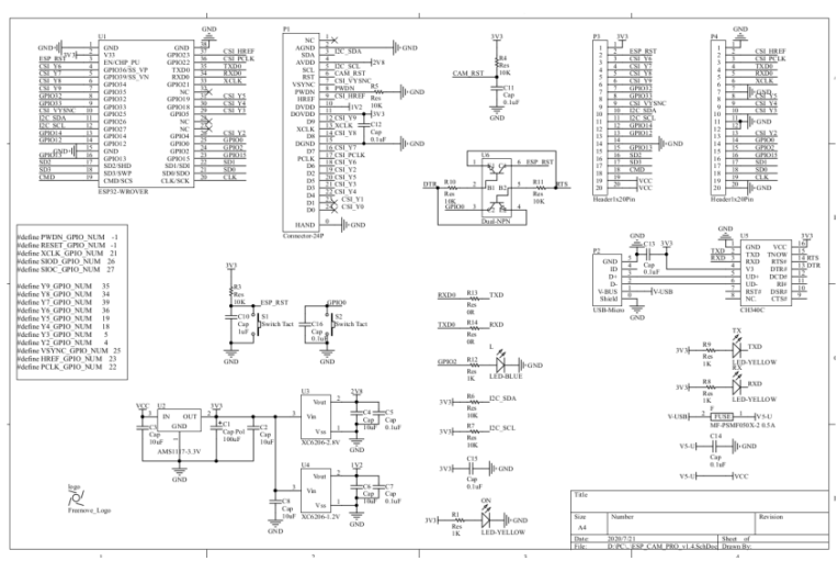
doc
/
ESP32-Wrover-dev
/
schematic.png
147 KiB
Raw
History