This website requires JavaScript.
Explore
Help
Sign In
Michal
/
printer-monitor
mirror of
https://github.com/Qrome/printer-monitor
Watch
1
Star
0
Fork
You've already forked printer-monitor
0
Code
Issues
Packages
Projects
Releases
Wiki
Activity
d146772412
printer-monitor
/
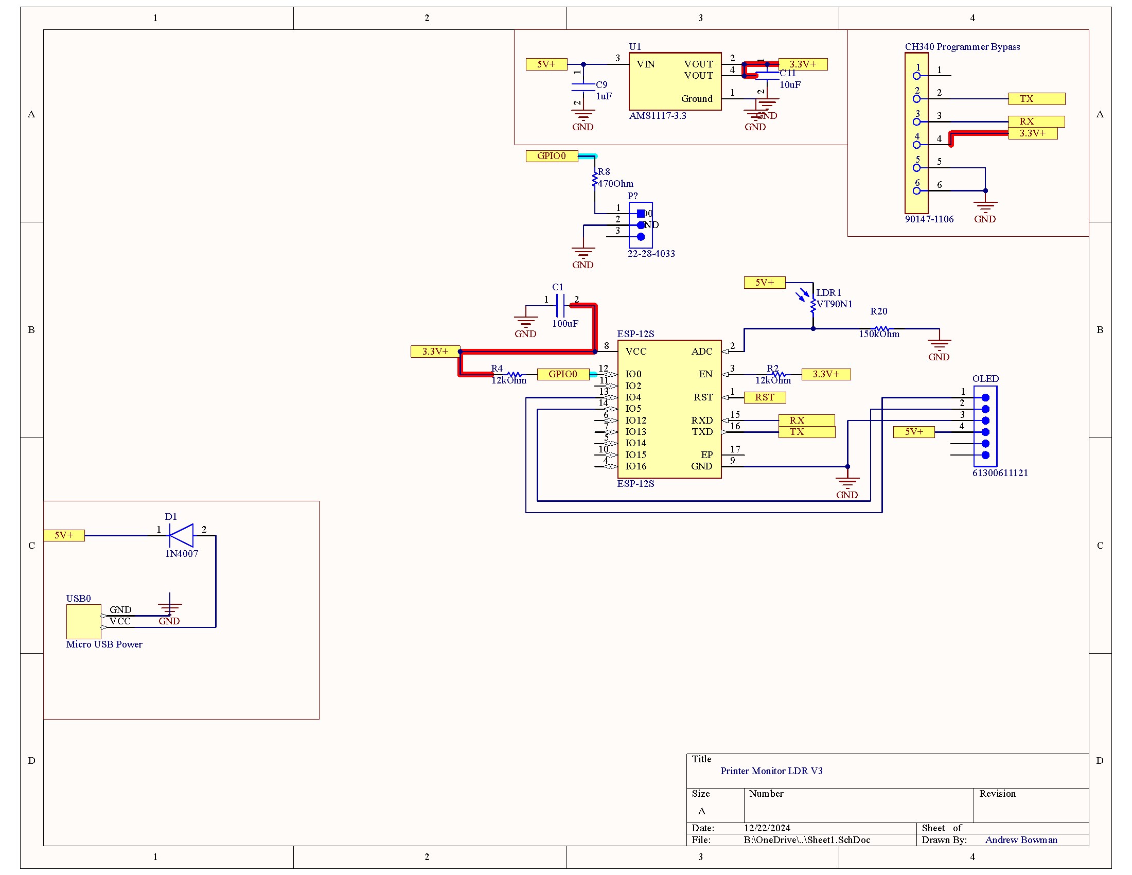
PCB
/
Schematic.jpg
280 KiB
Raw
History