937 B
937 B
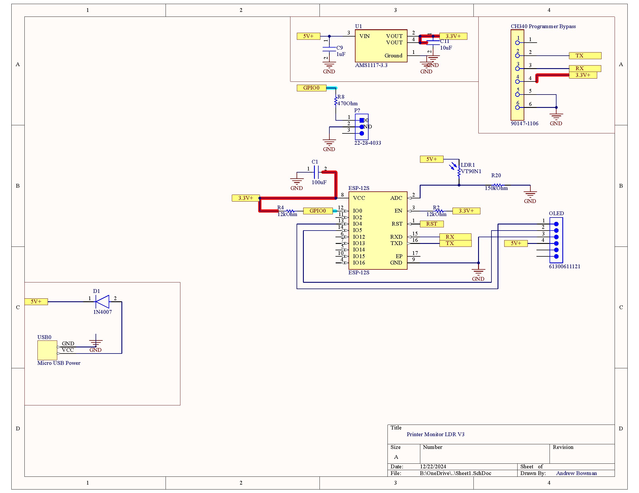
Printer Monitor LDR PCB
Andrew Bowman 2024
Parts
1x Micro USB
ESP-12E
AMS1117-5.0 Voltage Regulator
SH1106 OLED Display
1x 1N4007 Diode
2x 12kOhm 0603 Resistors
1x 150kOhm 0603 Resistor
1x 1uF 0603 Capacitor, this can be substituted with a 10uF if needed
1x 10uF 0603 Capacitor
1x 100uF 0603 Capacitor
1x Light Dependant Resistor, this can be omiitted if you want the screen to stay on.
Various headers
Solder paste
ESP-12 Programmer or CH340 USB Programmer

